
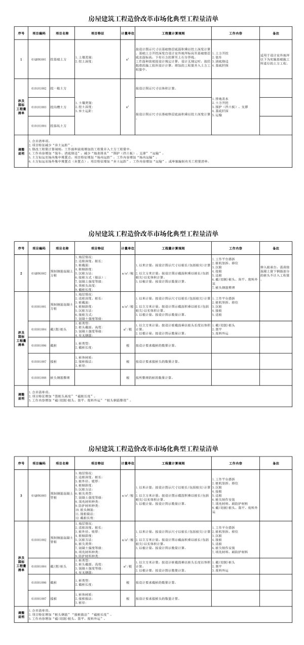
房屋建筑工程造价改革市场化典型工程量清单序号项目编码项目名称项目特征计量单位工程量计算规则工作内容备注按设计图尺寸以基础垫层底积乘以挖深度计算。基础土方开挖深度自设计室外地坪标高至基础垫层1.土方开挖√1.土壤类别:底表面标高,下有石方的算至土石分界线。2.装车适于设计室外地坪01QDBG001挖基础土方2.挖土深度:m3作面和放坡按设计规定计算,设计无规定时,按经3.清底修边以下为实施基础施工批准的施工组织设计计算,增加的工程量并入土方工4.基底钎探所进行的土方工程。程量中。010101002挖一般土方按设计图示尺寸以体积计算。涉及1.壤类别:1.排地表水国标2.挖土深度:2.土方开挖工程量010101003挖沟槽土方033.围护(挡土板)、支撑清单3.弃土运距:按设计图尺以基础垫层底积乘以挖深度计算4.基底钎探5.运输010101004挖基坑土方1.合并清单项。2.项目特征减少“弃土运距”调整3.修改工程量计算规则,工作面和放坡增加的工程量并入土方工程量中。说明4.工作内容增加“装车、清底修边”,减少“地表排水”“围护(挡土板)、支撑”“运输”。5.土方如运至场内集中堆置点,项目特征增加“场内运距”,工作内容增加“场内运输”。6.方如运至场外集中堆置点(弃置点),项目特征增加“弃土运距”,工作内容增加“运输”,或单独编制有关工程量清单。
房屋建筑工程造价改革市场化典型工程量清单序号项目编码项目名称项目特征计量单位工程量计算规则工作内容备注1.地层情况:2.送桩深度、桩长:1.工作平台搭拆3.桩截面:1.以计量,按设计图尺以桩长(包括桩尖)计算2.桩机竖拆、移位4.桩倾斜度:3.沉桩伸桩承台,需凿除201QDBG002预制钢筋混凝土5.沉桩方法:2.以立方米计量,按设计图示截面积乘以桩长(包括4.接桩混凝留下钢筋部分方桩m/m³/根6.接桩方式(做法):桩尖)以实体积计算。5.送桩的桩头不计入工程量7.混凝土强度等级:3.以根计量,按设计图示数量计算。6.截(切割)桩头、凿平、废料外8.凿桩头高度:运9.截桩长度:7.桩头钢筋整理1.地层情况:2.送桩深度、桩长:1.以计量,按设计图尺以桩(包括桩尖)计算1.工作平台搭拆预制钢筋混凝土3.桩截面:2.桩机竖拆、移位010301001方桩4.桩倾斜度:m/m³/根2.以计量,按设计图示截面积乘以桩长(包括桩尖)以实体积