
工贸企业重大事故隐患判定标准解读图鉴江苏省应急管理厅执法监督局2023年5月
目录一、工贸企业通用重大事故隐患.-1-二、冶金企业重大事故隐患..-3-三、有色企业重大事故隐患.-22-四、建材企业重大事故隐患.-42-五、机械企业重大事故隐患…-50-六、轻工企业重大事故隐患…-60-七、纺织企业重大事故隐患.-66-八、烟草企业重大事故隐患…-67-九、粉尘爆炸企业重大事故隐患,-9-十、液氨制冷企业重大事故隐患-81-十一、中毒风险有限空间重大事故隐患..-82-十二、监控、报警、防护失效判定重大事故隐患…-84-
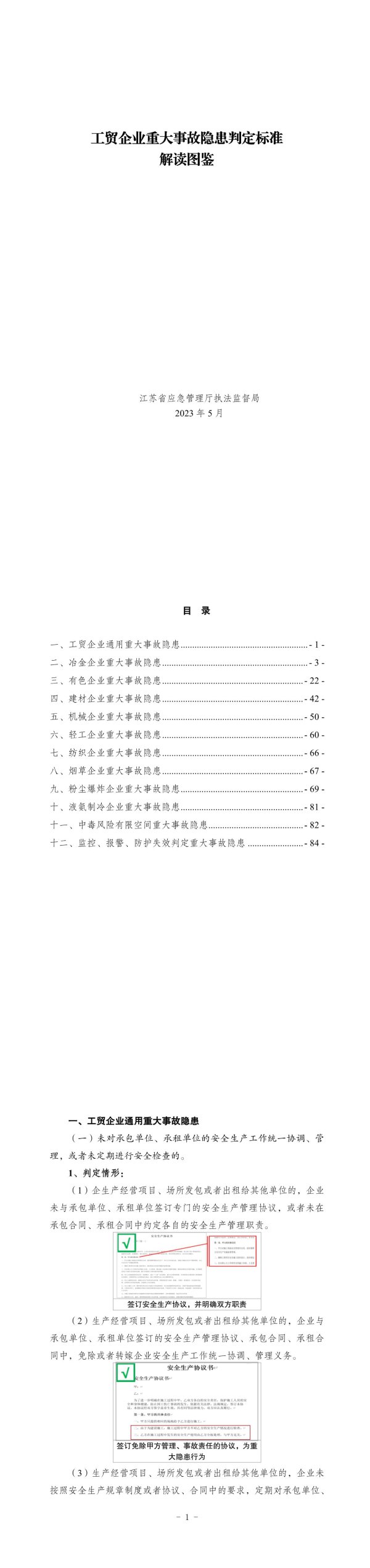
一、工贸企业通用重大事故隐患(一)未对承包单位、承租单位的安全生产工作统一协调、管理,或者未定期进行安全检查的。1、判定情形:(1)企生产经营项目、场所发包或者出租给其他单位的,企业未与承包单位、承租单位签订专门的安全生产管理协议,或者未在承包合同、承租合同中约定各自的安全生产管理职责。√安全生产协议书[篇一第一条、甲方的具体责任一。管理负公、旅制工程项目安全施工组织设计,组织躺方定产工、在安排乙方工作时针对其施工内容、工艺费,我方的身件,发,“人目。过有五、向乙方错供应好的、确保安全性广广为命作加城、工也,签订安全生产协议,并明确双方职责(2)生产经营项目、场所发包或者出租给其他单位的,企业与承包单位、承租单位签订的安全生产管理协议、承包合同、承租合同中,免除或者转嫁企业安全生产工作统一协调、管理义务。√安全生产协议书安全产协议书甲:eZI和为的为了进一步明确在施工过程中甲、乙双方各自的安全责任,保护施工人员的安定,签订本协第一条、甲方的具体责任,甲只提供相应的场地给予进施。<,由于为建设施,施过程中甲不对乙的安全产情况进行检查。三、在施过程中发的安全产使由全权处理,与甲关。签订免除甲方管理、事故责任的协议,为重大隐患行为(3)生产经营项目、场所发包或者出租给其他单位的,企业未按照安全生产规章制度或者协议、合同中的要求,定期对承包单位、-1-
承租单位进行安全检查,或者发现安全问题未督促整改。√M安全隐患整改通知单No:2132问题单位心河北省XX建筑有限公司隐现场负责人心杨XX患描述现:2022年1月28日,我公司在对房建设施工现场检整将临时电源线进行架空设置改要要求完成整改的期时间:2023年12917时之前求部门主管江苏省XX科技有限公司隐患对承