数字化建工

企业服务平台

  • 在线
    咨询
  • 免费
    试用

玉林市住建局建设工程消防技术专家库新增专家名单20251205

发布时间:2026-01-08 | 文档页数:2 | 文件格式:doc | 文件大小:49KB | 浏览量:23

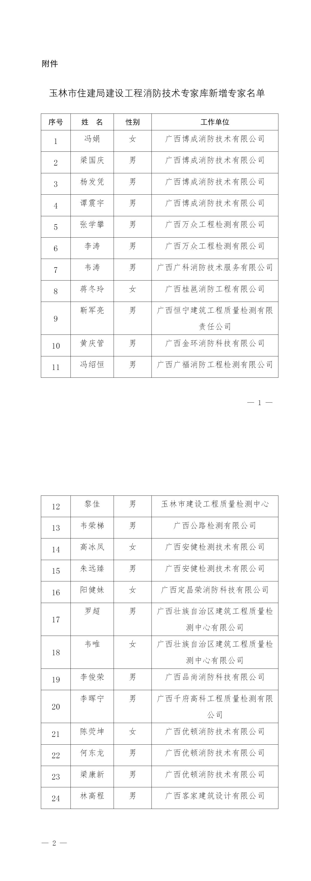
玉林市住建局建设工程消防技术专家库新增专家名单

序号

姓 名

性别

工作单位

1

冯娟

广西博成消防技术有限公司

2

梁国庆

广西博成消防技术有限公司

3

杨发凭

广西博成消防技术有限公司

4

谭震宇

广西博成消防技术有限公司

5

张学攀

广西万众工程检测有限公司

6

李涛

广西万众工程检测有限公司

7

韦涛

广西广科消防技术服务有限公司

8

蒋冬玲

广西桂邕消防工程有限公司

9

靳军亮

广西恒宁建筑工程质量检测有限责任公司

10

黄庆管

广西金环消防科技有限公司

11

冯绍恒

广西广福消防工程检测有限公司

12

黎佳

玉林市建设工程质量检测中心

13

韦荣梯

广西公路检测有限公司

14

高冰凤

广西安健检测技术有限公司

15

朱远臻

广西安健检测技术有限公司

16

阳健妹

广西定昌荣消防科技有限公司

17

罗超

广西壮族自治区建筑工程质量检测中心有限公司

18

韦唯

广西壮族自治区建筑工程质量检测中心有限公司

19

李俊荣

广西品尚消防科技有限公司

20

李晖宁

广西千府高科工程质量检测有限公司

21

陈荧坤

广西优顿消防技术有限公司

22

何东龙

广西优顿消防技术有限公司

23

梁康新

广西优顿消防技术有限公司

24

林高程

广西客家建筑设计有限公司