_word_merged_202601080906217e.jpg)
《北京市禁止使用建筑材料目录》(2023年版征求意见稿)
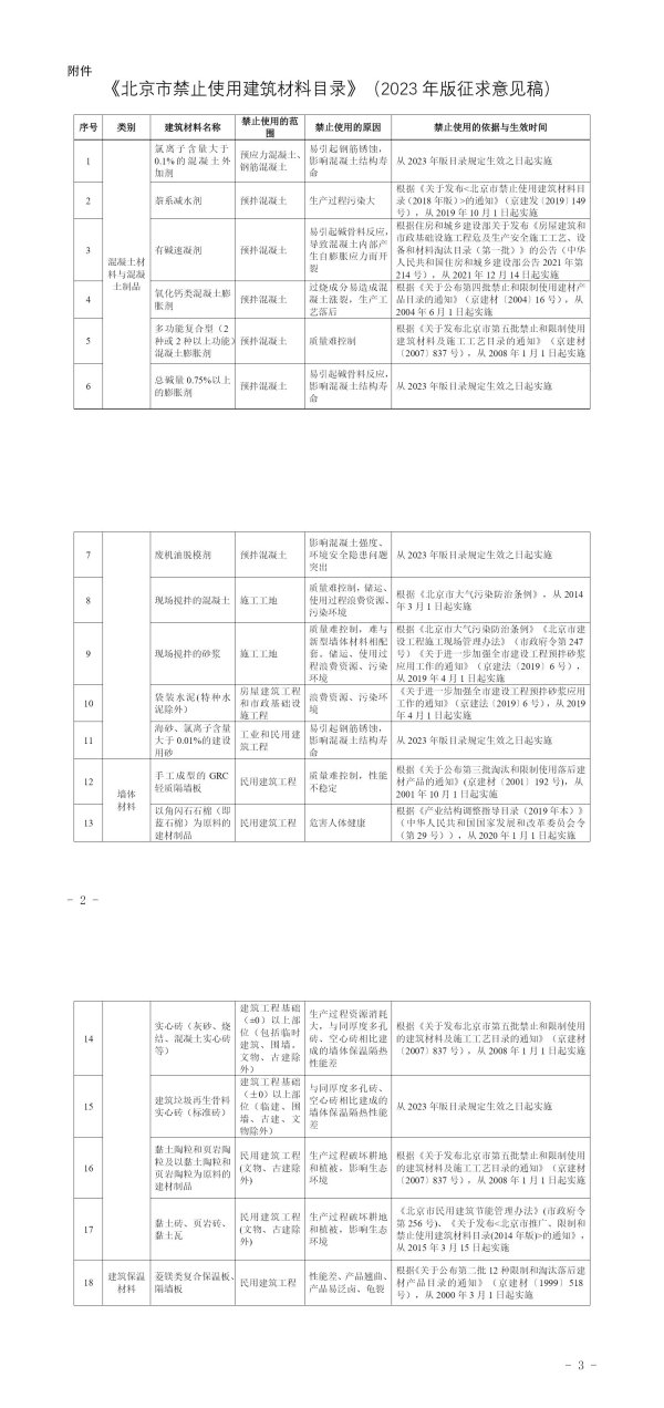
序号
类别
建筑材料名称
禁止使用的范围
禁止使用的原因
禁止使用的依据与生效时间
1
混凝土材料与混凝土制品
氯离子含量大于0.1%的混凝土外加剂
预应力混凝土、钢筋混凝土
易引起钢筋锈蚀,影响混凝土结构寿命
从2023年版目录规定生效之日起实施
2
萘系减水剂
预拌混凝土
生产过程污染大
根据《关于发布<北京市禁止使用建筑材料目录(2018年版)>的通知》(京建发〔2019〕149号),从2019年10月1日起实施
3
有碱速凝剂
预拌混凝土
易引起碱骨料反应,导致混凝土内部产生自膨胀应力而开裂
根据住房和城乡建设部关于发布《房屋建筑和市政基础设施工程危及生产安全施工工艺、设备和材料淘汰目录(第一批)》的公告(中华人民共和国住房和城乡建设部公告2021年第214号),从2021年12月14日起实施
4
氧化钙类混凝土膨胀剂
预拌混凝土
过烧成分易造成混凝土涨裂,生产工艺落后
根据《关于公布第四批禁止和限制使用建材产品目录的通知》(京建材〔2004〕16号),从2004年6月1日起实施
5
多功能复合型(2种或2种以上功能)混凝土膨胀剂
预拌混凝土
质量难控制
根据《关于发布北京市第五批禁止和限制使用建筑材料及施工工艺目录的通知》(京建材〔2007〕837号),从2008年1月1日起实施
6
总碱量0.75%以上的膨胀剂
预拌混凝土
易引起碱骨料反应,影响混凝土结构寿命
从2023年版目录规定生效之日起实施
7
废机油脱模剂
预拌混凝土
影响HYPERLINK'https://zhidao.baidu.com/search?word=%E6%B7%B7%E5%87%9D%E5%9C%9F%E5%BC%BA%E5%BA%A6&fr=iknow_pc_qb_highlight'混凝土强度、环境安全隐患问题突出
从2023年版目录规定生效之日起实施
8
现场搅拌的混凝土
施工工地
质量难控制,储运、使用过程浪费资源、污染环境
根据《北京市大气污染防治条例》,从2014年3月1日起实施
9
现场搅拌的砂浆
施工工地
质量难控制,难与新型墙体材料相配套。储运、使用过程浪费资源、污染环境
根据《北京市大气污染防治条例》《北京市建设工程施工现场管理办法》(市政府令第247号)《关于进一步加强全市建设工程预拌砂浆应用工作的通知》(京建法〔2019〕6号),从2019年4月1日起实施
10
袋装水泥(特种水泥除外)
房屋建筑工程和市政基础设施工程
浪费资源、污染环境
《关于进一步加强全市建设工程预拌砂浆应用工作的通知》(京建法〔2019〕6号),从2019年4月1日起实施
11
海砂、氯离子含量大于0.01%的建设用砂
工业和民用建筑工程
易引起钢筋锈蚀,影响混凝土结构寿命
从2023年版目录规定生效之日起实施
12
墙体
材料
手工成型的GRC轻质隔墙板
民用建筑工程
质量难控制,性能不稳定
根据《关于公布第三批淘汰和限制使用落后建材产品的通知》(京建材〔2001〕192号),从2001年10月1日起实施
13
以角闪石石棉(即蓝石棉)为原料的建材制品
民用建筑工程
危害人体健康
根据《产业结构调整指导目录(2019年本)》(中华人民共和国国家发展和改革委员会令(第29号)),从2020年1月1日起实施
14
实心砖(灰砂、烧结、混凝土实心砖等)
建筑工程基础(±0)以上部位(包括临时建筑、围墙。文物、古建除外)
生产过程资源消耗大,与同厚度多孔砖、空心砖相比建