建筑企业
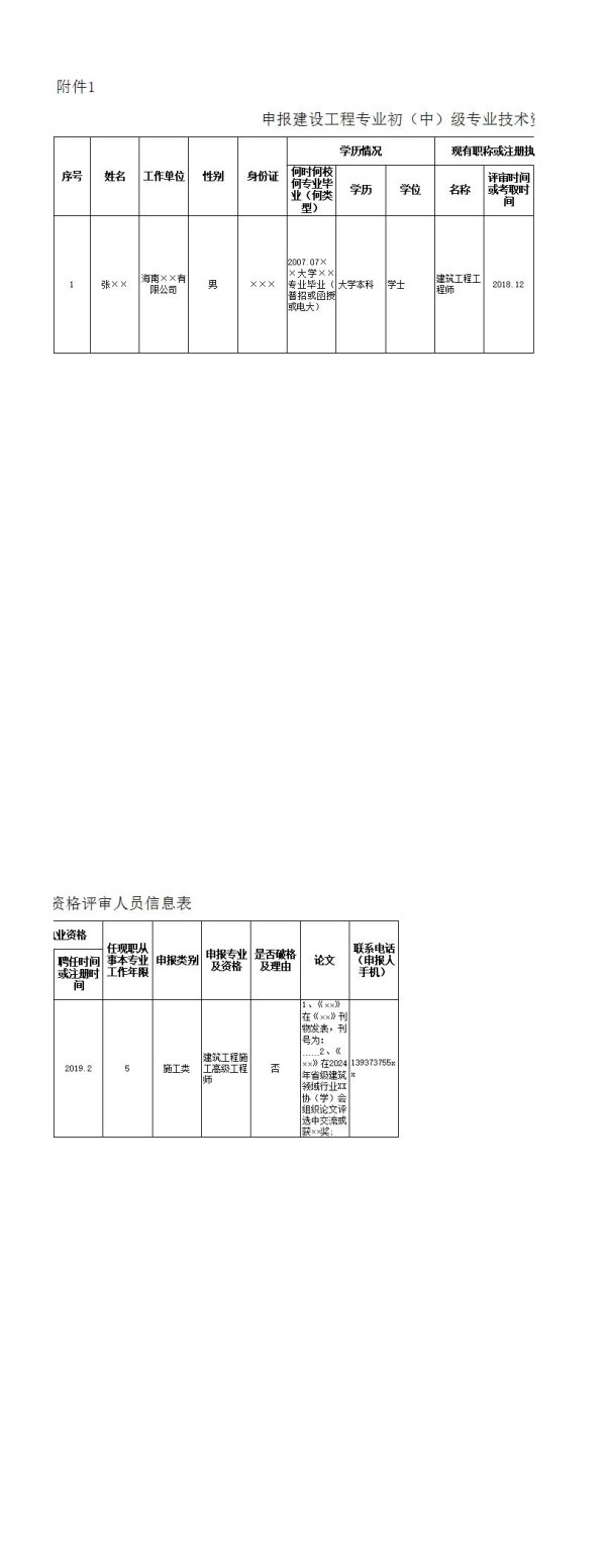
人员信息
招标公告
开标记录
中标公示
四库业绩
省厅业绩
公路业绩
水利业绩
荣誉奖项
企业诚信




级专业技术资格评审人员信息表_excel_merged_20260114163608f1.jpg)
渝公网安备: