
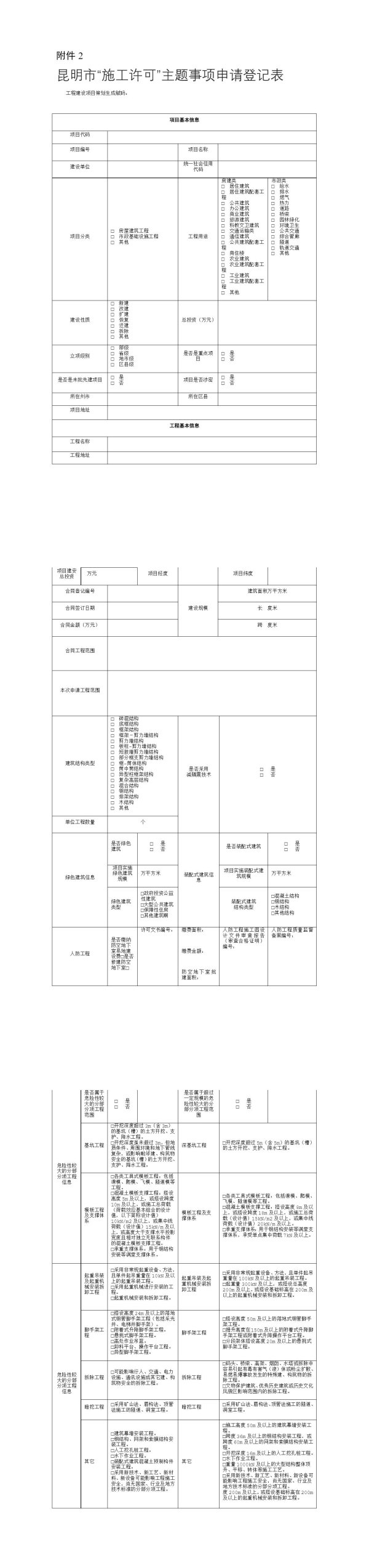
附件2
昆明市“施工许可”主题事项申请登记表
工程建设项目策划生成赋码:
项目基本信息
项目代码
项目编号
项目名称
建设单位
统一社会信用代码
项目分类
房屋建筑工程市政基础设施工程其他
工程用途
房建类居住建筑居住建筑配套工程公共建筑办公建筑商业建筑旅游建筑科教文卫建筑交通运输类通信建筑公共建筑配套工程商住楼农业建筑农业建筑配套工程工业建筑工业建筑配套工程其他
市政类给水排水燃气热力道路桥梁园林绿化环境卫生公共交通综合管廊隧道轨道交通其他
建设性质
新建改建扩建恢复迁建拆除其他
总投资(万元)
立项级别
部级省级地市级区县级
是否是重点项目
是否
是否是未批先建项目
是否
项目是否涉密
是否
所在州市
所在区县
项目地址
工程基本信息
工程名称
工程地址
项目建安总投资
万元
项目经度
项目纬度
合同登记编号
建设规模
建筑面积万平方米
合同签订日期
长度米
合同金额(万元)
跨度米
合同工程范围
本次申请工程范围
建筑结构类型
砖混结构底框结构框架结构框架-剪力墙结构剪力墙结构板柱-剪力墙结构短肢墙剪力墙结构部分框支剪力墙结构框-筒体结构筒中筒结构异型柱框架结构复杂高层结构混合结构钢结构排架结构木结构其他
是否采用减隔震技术
是否
单位工程数量
个
绿色建筑信息
是否绿色建筑
是否
装配式建筑信息
是否装配式建筑
是否
项目实施绿色建筑规模
万平方米
项目实施装配式建筑规模
万平方米
绿色建筑类型
政府投资公益性建筑大型公共建筑保障性住房其他建筑啊
装配式建筑结构类型
混凝土结构钢结构木结构其他结构
人防工程
是否缴纳防空地下室易地建设费是否修建防空地下室
许可文书编号:
缴费面积:
缴费金额:
防空地下室批建面积:
人防工程施工图设计文件审查报告(审查合格证明)编号:
人防工程质量监督备案编号:
危险性较大的分部分项工程信息
是否属于危险性较大的分部分项工程范围
是否
是否属于超过一定规模的危险性较大的分部分项工程范围
是否
基坑工程
开挖深度超过3m(含3m)的基坑(槽)的土方开挖、支护、降水工程。开挖深度虽未超过3m,但地质条件、周围环境和地下管线复杂,或影响毗邻建、构筑物安全的基坑(槽)的土方开挖、支护、降水工程。
深基坑工程
开挖深度超过5m(含5m)的基坑(槽)的土方开挖、支护、降水工程。
模板工程及支撑体系
各类工具式模板工程:包括滑模、爬模、飞模、隧道模等工程。混凝土模板支撑工程:搭设高度5m及以上,或搭设跨度10m及以上,或施工总荷载(荷载效应基本组合的设计值,以下简称设计值)10kN/m2及以上,或集中线荷载(设计值)15kN/m及以上,或高度大于支撑水平投影宽度且相对独立无联系构件的混凝土模板支撑工程。承重支撑体系:用于钢结构安装等满堂支撑体系。
模板工程及支撑体系
各类工